Sum Ergo Demonstro
I made another demo for the Raspberry Pi Pico 2 microcontroller and got 3rd place in the Revision 2026 wild compo.
For reference, here is the first one: Kaleidoscopico
Download
- lft-sum-ergo-demonstro.zip (Original release zip, with video, 243.6 MB)
- Linus Akesson - Sum Ergo Demonstro.mp3 (Soundtrack, 6.5 MB)
- lft-sum-ergo-demonstro.bin (Pico 2 firmware, raw binary, 312.2 kB)
- lft-sum-ergo-demonstro.uf2 (Pico 2 firmware, UF2, 624.5 kB)
- sum-ergo-demonstro-schematics.png (Schematics, 14.3 kB)
- sum-ergo-demonstro-stripboard.pdf (Stripboard layout, 20.1 kB)
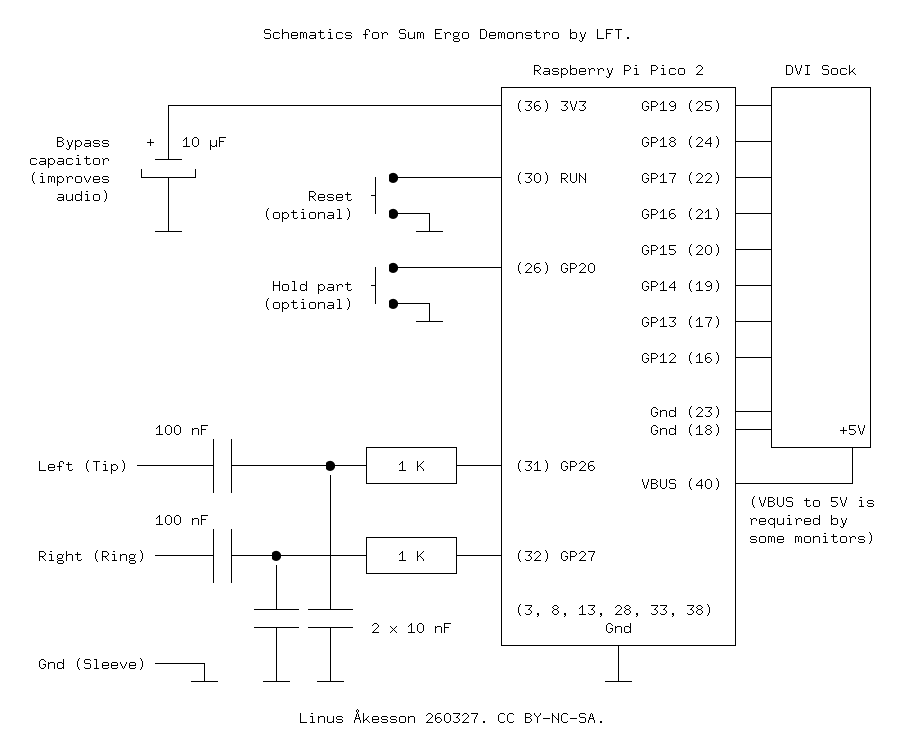
Schematics
There's also a layout for stripboard in the Download section.
Under the hood
I plan to explain some of the technical details in a companion video, so stay tuned for that!
Posted Monday 6-Apr-2026 10:26
Discuss this page
Disclaimer: I am not responsible for what people (other than myself) write in the forums. Please report any abuse, such as insults, slander, spam and illegal material, and I will take appropriate actions. Don't feed the trolls.
Jag tar inget ansvar för det som skrivs i forumet, förutom mina egna inlägg. Vänligen rapportera alla inlägg som bryter mot reglerna, så ska jag se vad jag kan göra. Som regelbrott räknas till exempel förolämpningar, förtal, spam och olagligt material. Mata inte trålarna.
Mon 6-Apr-2026 12:14
Mon 6-Apr-2026 12:46
Wed 8-Apr-2026 23:02
Tue 21-Apr-2026 19:38